3-153-446
Schurter SMD Supercapacitor SCPC 5,5V 400mF 20mmx18mmx3,5mm -40°C...85°C Low ESR



Enter your company's part number here. Your part number will be referenced on your receipts, such as the order confirmation, invoice or delivery note.
Enter your personal project number here to assign the item to a project. Your part project number will be referenced on your receipts, such as the order confirmation, invoice or delivery note.
5 Pcs. in stock
Planned delivery time
Ø 6 Weeks
Life Cycle Status
The life cycle indicates which market phase the item is in. We distinguish between:
• Active (green)
• NRND = Not Recommended for New Designs (yellow)
• LTB = Last Time Buy (yellow)
• EOL = End of Life (red)
Active
Available (from stock)
Data Sheet
Prices
Manufacturer bundle 100 Pcs.
Manufacturer's packaging unit (Mfr. PU) means the smallest original packaging unit of the manufacturer.
Price per 1 Pcs.
Quantity and Options
(at least 1 or multiple of 1)
All prices net plus VAT. We do not deliver to private customers.
Fact Sheet
- Type
- Supercapacitor
- Capacity
- 400 mF
- Rated voltage DC
- 5.5 V
- Assembly Type
- SMD
- Housing
- AS35
- Operating Temperature Min.
- -40 °C
- Operating Temperature Max.
- 85 °C
- RoHS-Conform
Specifications
Open all
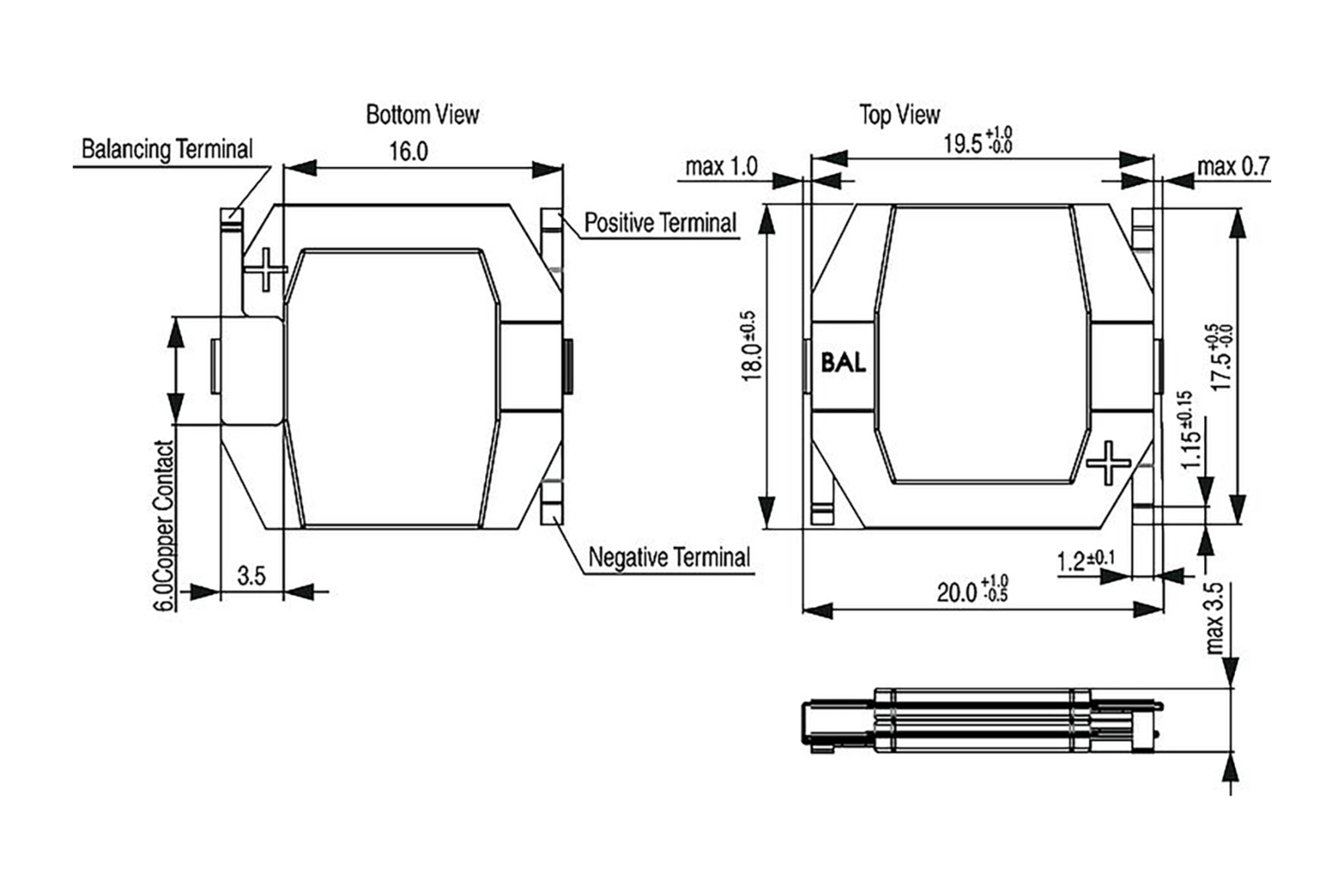
Dimensions and Weights
- Dimension: Length
- 20 mm
- Dimension: Width
- 18 mm
- Dimension: Height
- 3.5 mm
Operating conditions
- Operating Temperature Min.
- -40 °C
- Operating Temperature Max.
- 85 °C
Technical Features
- Capacity
- 400 mF
- Capacity
- 400
- Capacity unit
- mF
- Current, max.
- 30 A
- Ripple Current
- 4.000 mA
- Equivalent series resistance (ESR)
- 130 mOhm
- Rated voltage DC
- 5.5 V
Safety/Certifications
- Approvals
- CE
- UK CA
- UL
- Standards
- UL 810A
Documents
AN_Supercaps_EN.pdf


