EEEFN1H220UR
Panasonic SMD Aluminum electrolytic capacitor FN 50V 22µF 5mmx5,8mm -55°C...105°C AEC-Q200



Enter your company's part number here. Your part number will be referenced on your receipts, such as the order confirmation, invoice or delivery note.
Enter your personal project number here to assign the item to a project. Your part project number will be referenced on your receipts, such as the order confirmation, invoice or delivery note.
0 Pcs. in stock
Planned delivery time
Ø 22 Weeks
Life Cycle Status
The life cycle indicates which market phase the item is in. We distinguish between:
• Active (green)
• NRND = Not Recommended for New Designs (yellow)
• LTB = Last Time Buy (yellow)
• EOL = End of Life (red)
Active
Available on order
Data Sheet
Prices
Manufacturer bundle 1000 Pcs.
Manufacturer's packaging unit (Mfr. PU) means the smallest original packaging unit of the manufacturer.
Price per 1 Pcs.
Quantity and Options
(at least 100 or multiple of 100)
All prices net plus VAT. We do not deliver to private customers.
Fact Sheet
- Type
- Aluminum electrolytic capacitor
- Capacity
- 22 µF
- Capacity Tolerance
- ±20%
- Rated voltage DC
- 50 V
- Assembly Type
- SMD
- Housing
- C
- Operating Temperature Min.
- -55 °C
- Operating Temperature Max.
- 105 °C
- RoHS-Conform
Specifications
Open all
Dimensions and Weights
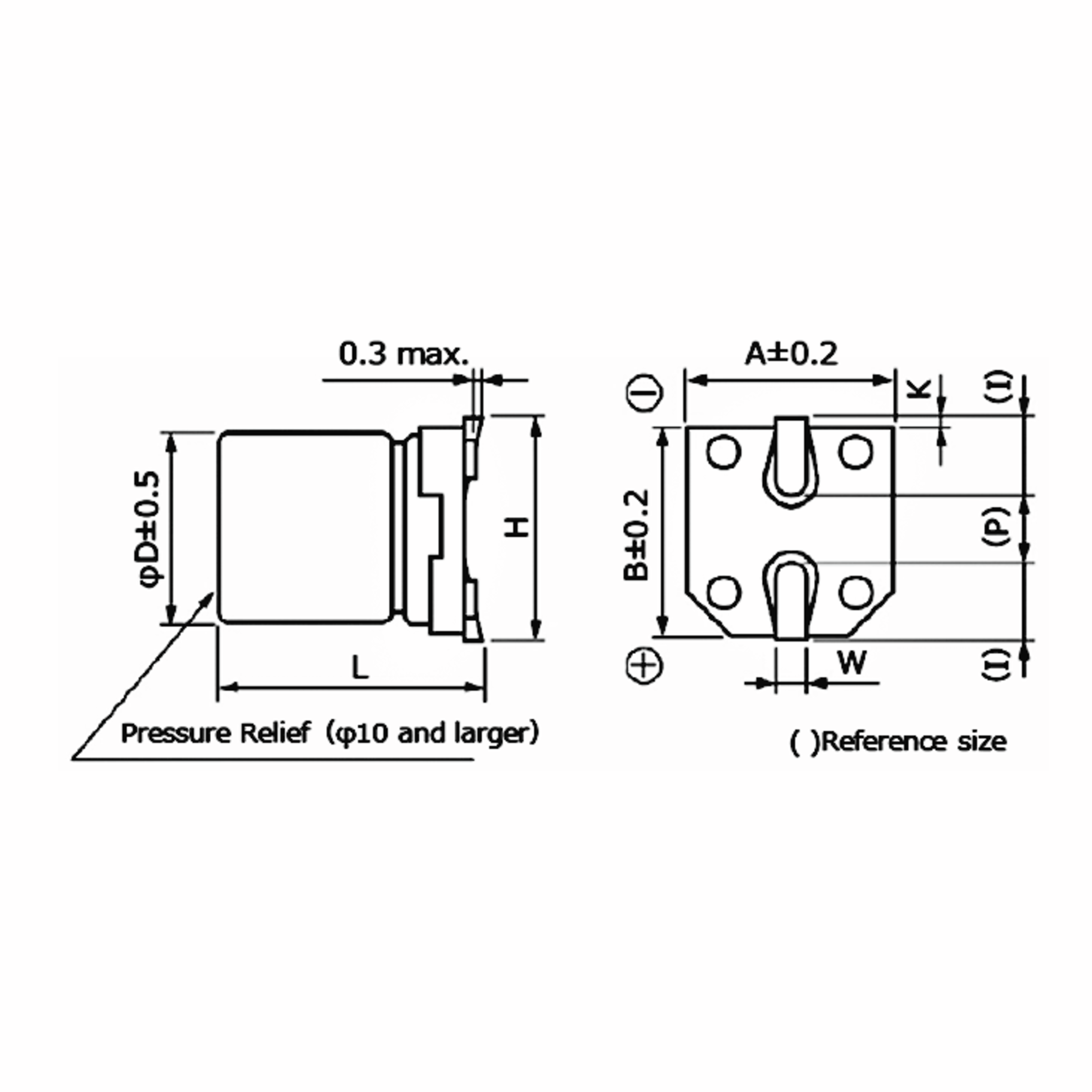
- Diameter
- 5 mm
- Dimension: Height
- 5.8 mm
Operating conditions
- Operating Temperature Min.
- -55 °C
- Operating Temperature Max.
- 105 °C
Technical Features
- Capacity
- 22 µF
- Capacity
- 22
- Capacity unit
- µF
- Capacity Tolerance
- ±20%
- Loss factor tan δ
- 0,1
- Ripple Current
- 85 mA
- Equivalent series resistance (ESR)
- 1,52 Ohm
- Rated voltage DC
- 50 V
- Service life
- 2.000 h
Safety/Certifications
- Qualification
- AEC-Q200


