8325
Keystone 83_ Polyamide LED spacer sleeve natural 9,14mm


Enter your company's part number here. Your part number will be referenced on your receipts, such as the order confirmation, invoice or delivery note.
Enter your personal project number here to assign the item to a project. Your part project number will be referenced on your receipts, such as the order confirmation, invoice or delivery note.
800 Pcs. in stock
Planned delivery time
Ø 12 Weeks
Life Cycle Status
The life cycle indicates which market phase the item is in. We distinguish between:
• Active (green)
• NRND = Not Recommended for New Designs (yellow)
• LTB = Last Time Buy (yellow)
• EOL = End of Life (red)
Active
Available (from stock)
Data Sheet
Prices
Manufacturer bundle 1000 Pcs.
Manufacturer's packaging unit (Mfr. PU) means the smallest original packaging unit of the manufacturer.
Price per 1 Pcs.
Quantity and Options
(at least 100 or multiple of 100)
All prices net plus VAT. We do not deliver to private customers.
Fact Sheet
- Series
- 83_
- Type
- LED spacer sleeve
- Material
- Polyamide
- Colour
- natural
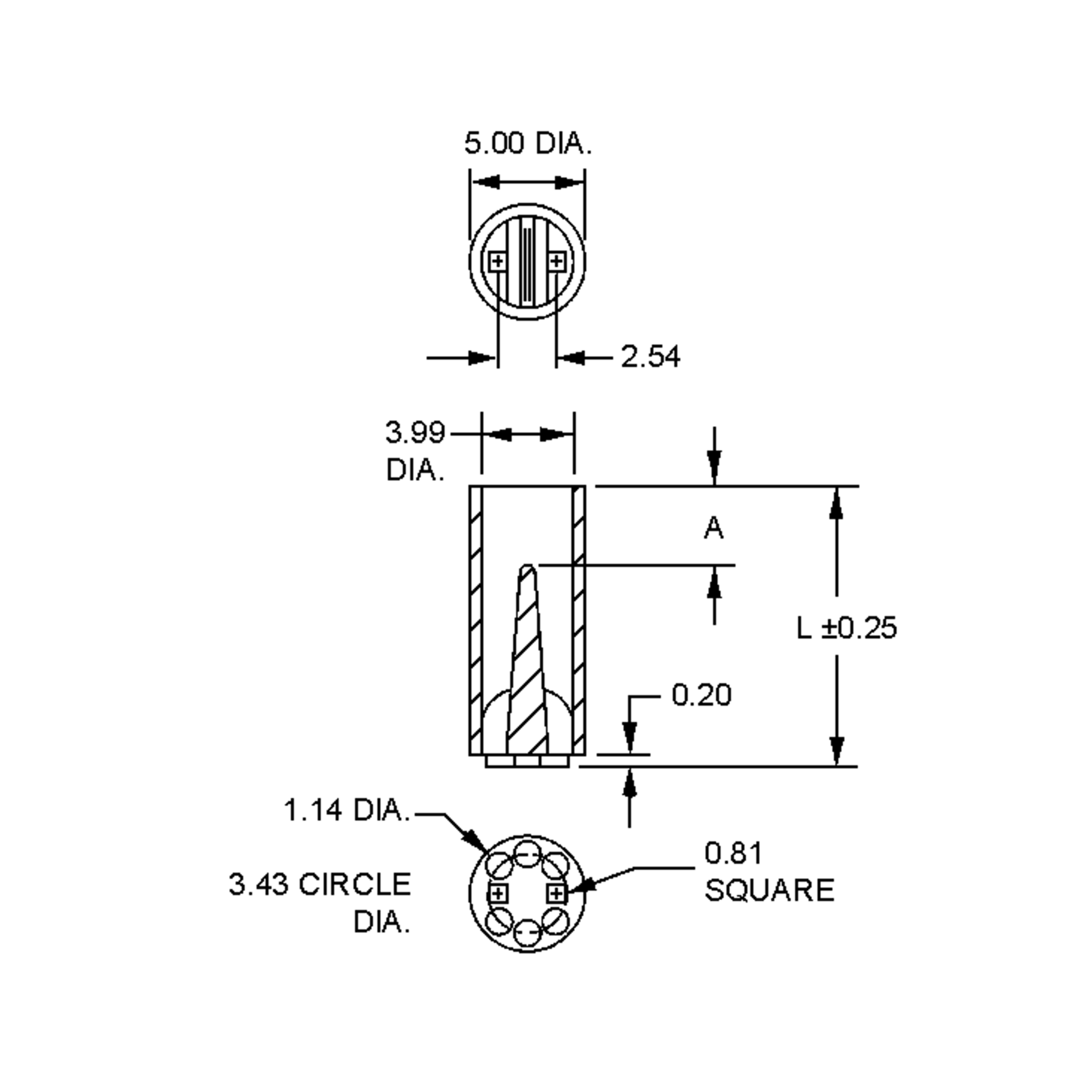
- Dimension: Length
- 9.14 mm
- RoHS-Conform
Specifications
Open all
Dimensions and Weights
- Dimension: Length
- 9.14 mm


