0832VD/SB
ERSA Soldering Tip 832 50mm



Enter your company's part number here. Your part number will be referenced on your receipts, such as the order confirmation, invoice or delivery note.
Enter your personal project number here to assign the item to a project. Your part project number will be referenced on your receipts, such as the order confirmation, invoice or delivery note.
4 Pcs. in stock
Planned delivery time
Ø 2 Weeks
Life Cycle Status
The life cycle indicates which market phase the item is in. We distinguish between:
• Active (green)
• NRND = Not Recommended for New Designs (yellow)
• LTB = Last Time Buy (yellow)
• EOL = End of Life (red)
Active
Available (from stock)
Prices
Manufacturer bundle 1 Pcs.
Manufacturer's packaging unit (Mfr. PU) means the smallest original packaging unit of the manufacturer.
Price per 1 Pcs.
Quantity and Options
(at least 1 or multiple of 1)
All prices net plus VAT. We do not deliver to private customers.
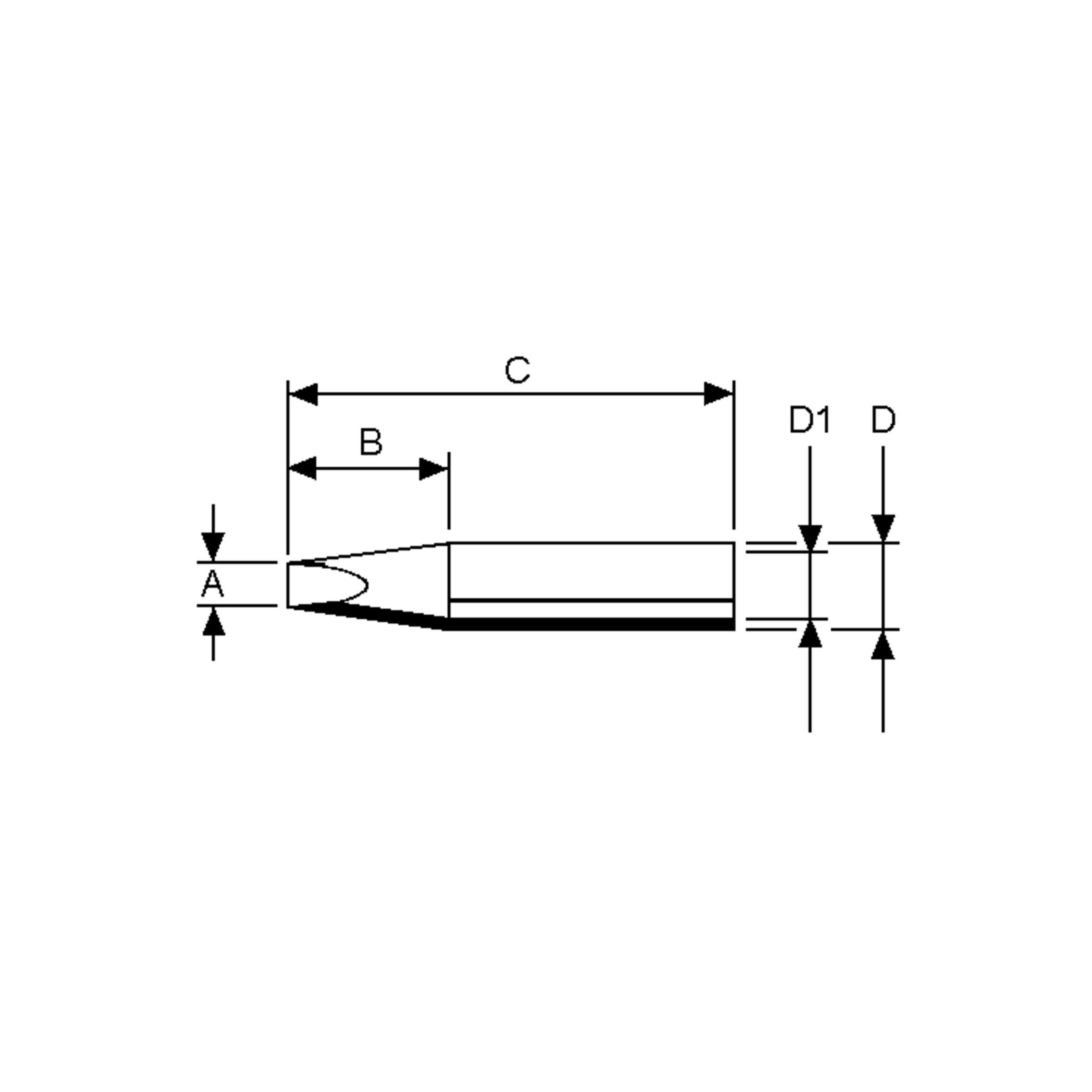
Fact Sheet
- Chisel shape
- Chisel
- Dimension: Diameter
- 5 mm
- Fitted bit
- 9.8 mm
- RoHS-Conform
Specifications
Open all
Documents
240805_Ersa_Katalog_Loetwerkzeuge_2025_DE_Web.pdf










