15-000030
Conec Cap 15K1A 25 Pole Accessories IP67



Enter your company's part number here. Your part number will be referenced on your receipts, such as the order confirmation, invoice or delivery note.
Enter your personal project number here to assign the item to a project. Your part project number will be referenced on your receipts, such as the order confirmation, invoice or delivery note.
15 Pcs. in stock
Planned delivery time
Ø 8 Weeks
Life Cycle Status
The life cycle indicates which market phase the item is in. We distinguish between:
• Active (green)
• NRND = Not Recommended for New Designs (yellow)
• LTB = Last Time Buy (yellow)
• EOL = End of Life (red)
Active
Available (from stock)
Data Sheet
Prices
Manufacturer bundle 20 Pcs.
Manufacturer's packaging unit (Mfr. PU) means the smallest original packaging unit of the manufacturer.
Price per 1 Pcs.
Quantity and Options
(at least 1 or multiple of 1)
All prices net plus VAT. We do not deliver to private customers.
Fact Sheet
- Type
- Cap
- Series
- 15K1A
- Housing material
- Copper Alloy, tin-plated
- Design
- Accessories
- Number of poles
- 25
- Standards
- IEC 60529
- Contact Type
- D-Sub
- IP Protection Class Front Side
- IP67
- RoHS-Conform
Specifications
Open all
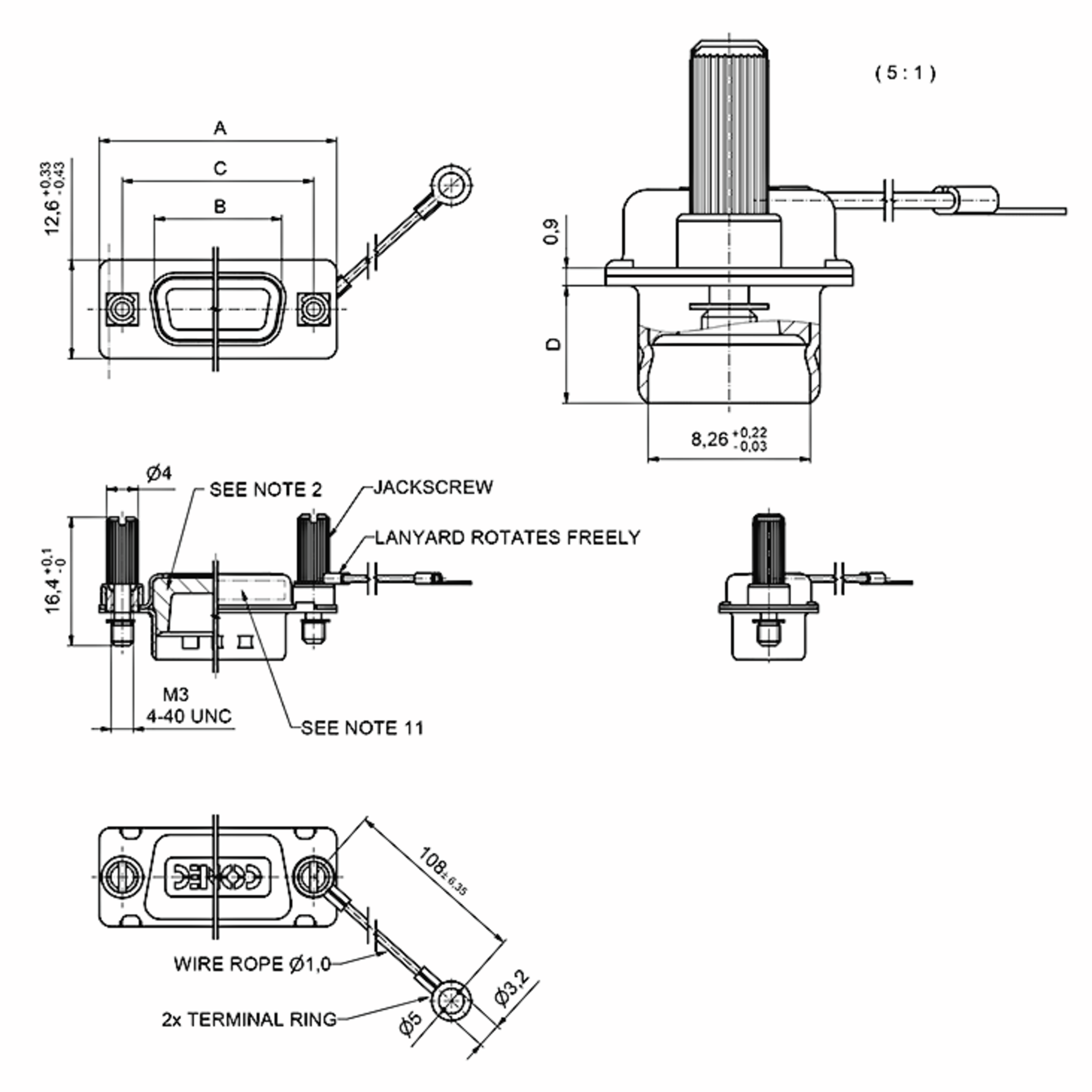
Dimensions and Weights
- Dimension: Width
- 53.42 mm
- Dimension: Height
- 16.4 mm
- Dimension: Depth
- 12.6 mm
Mechanical Features
- Drilling Dimensions
- 3.2 mm
- Housing material
- Copper Alloy, tin-plated
Safety/Certifications
- Standards
- IEC 60529
- IP Protection Class Front Side
- IP67
- IP Class Connection Side
- IP67


