BP-SUC-1645
Bicker Elektronik BP-SUC Energy Storage Supercap




Enter your company's part number here. Your part number will be referenced on your receipts, such as the order confirmation, invoice or delivery note.
Enter your personal project number here to assign the item to a project. Your part project number will be referenced on your receipts, such as the order confirmation, invoice or delivery note.
0 Pcs. in stock
Planned delivery time
Ø 1 Week
Life Cycle Status
The life cycle indicates which market phase the item is in. We distinguish between:
• Active (green)
• NRND = Not Recommended for New Designs (yellow)
• LTB = Last Time Buy (yellow)
• EOL = End of Life (red)
Active
Available on order
Data Sheet
Prices
Manufacturer bundle 10 Pcs.
Manufacturer's packaging unit (Mfr. PU) means the smallest original packaging unit of the manufacturer.
Price per 1 Pcs.
Quantity and Options
(at least 1 or multiple of 1)
All prices net plus VAT. We do not deliver to private customers.
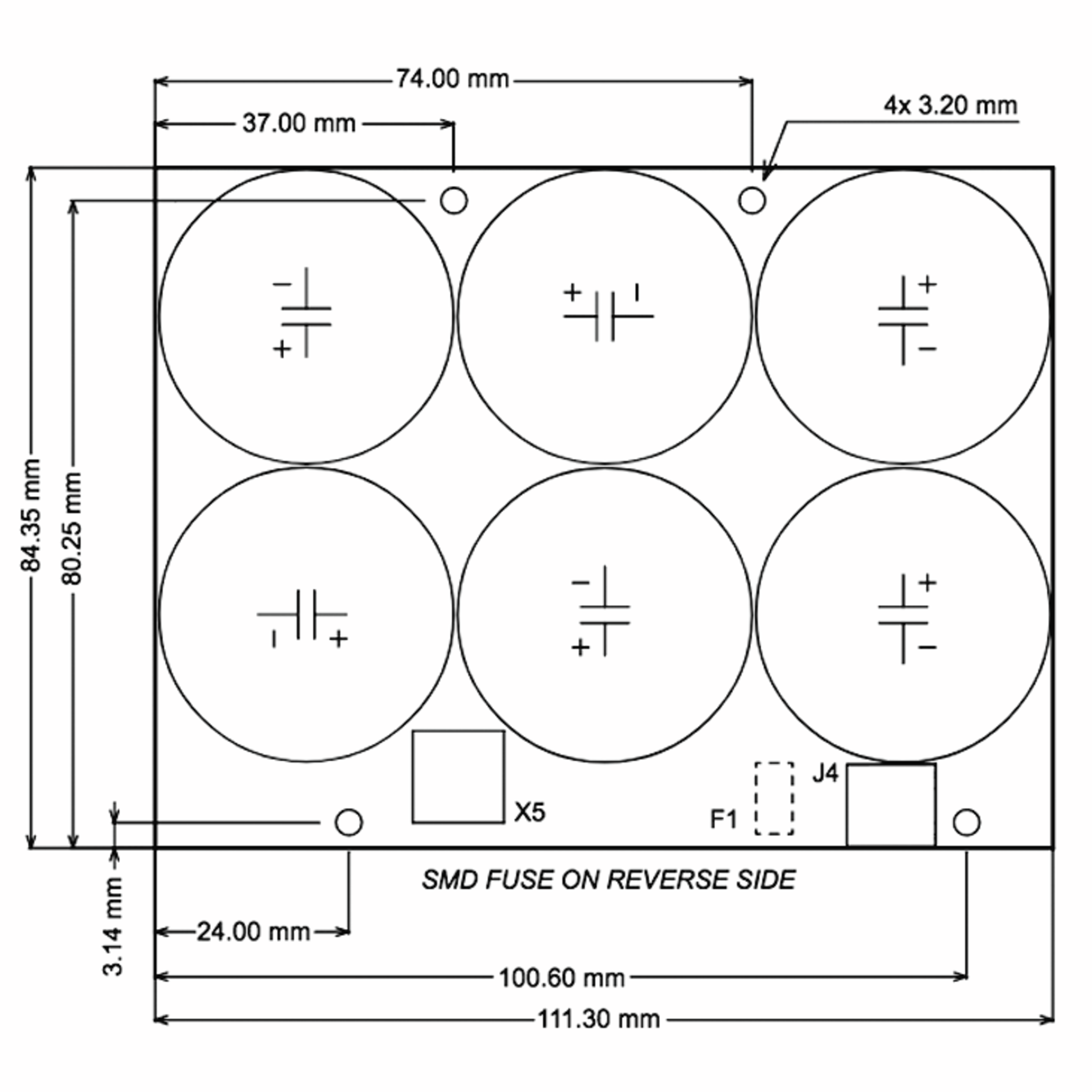
Fact Sheet
- Type
- Energy Storage Supercap
- RoHS-Conform
Specifications
Open all
Input
- Input voltage min. DC
- 15.2 V
- Input voltage max. DC
- 15.2 V
- Connection type, input
- Connector
Output
- Output voltage
- 15.2 V
- Output current
- 15.000 A
- Connection type, output
- Connector
Documents
Bicker_Katalog.pdf






